
O posicionador eletropneumáticos da GBI Brasil, modelo Rotativo, são destinados ao controle de acionamento de válvulas com atuadores simples ou dupla ação.
O posicionamento do produto é feito através do ar comprimido e com sinal de entrada de 4 a 20 mA, sendo gerado por um CLP ou um gerador de sinal.
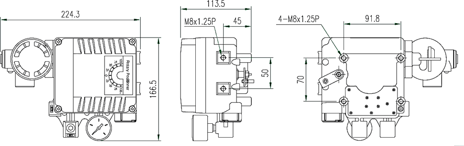
Com o seu invólucro em alumínio na cor preta, a haste de acionamento em inox e sua ponteira no padrão NAMUR, fazem com que o acionamento seja seguro e sem riscos de perda de sinal ou descontrole do produto.
O posicionador já vem com suporte de fixação, com padrão de conexão ISO 5211, junto a isso, sua classe de proteção IP66 e com classificação a prova de explosão EXD II BT6, garantem segura e qualidade a sua operação.
| Descrição | Posicionador Eletropneumático |
| Modelo | Simples Ação / Dupla Ação |
| Sinal de Entrada | 4 – 20mA (DC) |
| Impedância | 250 +/- 15 Ω |
| Pressão de Fonte | 1,4 kgf/cm² à 7,0 kgf/cm² |
| Curso | 10mm à 150mm |
| Conexão de Ar | NPT 1/4″ |
| Conexão de Calibre | NPT 1/8″ |
| Canalização | PF 1/2″ |
| Prova de Explosão | Exd II BT6 |
| Grau de Proteção | IP 66 |
| Temperatura Ambiente | -20°C à +70°C |
| Linearidade | +/- 2% F.S |
| Histerese | 1% F.S |
| Sensibilidade | +/- 0,5 F.S |
| Repetitividade | +/- 0,5 F.S |
| Consumo de Ar | 5 LPM |
| Capacidade de Fluxo | 80 LPM |
| Material | Alumínio Fundido |
| Peso | 2,7Kg |
A aplicação do posicionador inicia-se onde uma válvula automatizada somente com atuador não atende a aplicação, sendo assim, o movimento ON-OFF não é suficiente para parametrizar a vazão correta do fluido, consequentemente utilizamos o posicionador para um sistema PROPORCIONAL de controle, onde a necessidade de controle seja proporcional, dosando sempre sua abertura e fechamento.
O produto pode ser aplicado em todos os sistemas de controle onde se utilizam atuadores pneumáticos.

Administrativo / Vendas / Fábrica
Endereço Rua Eng. José Pastore, 98 Jardim das Graças - São Paulo - SP02714-050
Inscreva-se para receber alertas do setor, nossas últimas notícias, pensamentos e ideias do GBI Brasil

Administrativo / Vendas / Fábrica
Endereço Rua Eng. José Pastore, 98 Jardim das Graças - São Paulo - SP02714-050